概要
RLが直列接続された交流回路の計算問題です。
RL回路のインピーダンスの大きさの計算に関する理解が必要です。
計算を始めるまでのアプロ―チも取りやすく、計算量も少なめなので、回答しやすい問題です。
キーワード
RL直列回路、交流回路
問題
図1のような抵抗 \(R[Ω]\) と誘導性リアクタンス \(X[Ω]\) との直列回路がある。
この回路に正弦波交流電圧 \(E=100V\) を加えたとき、回路に流れる電流は \(10A\) であった。
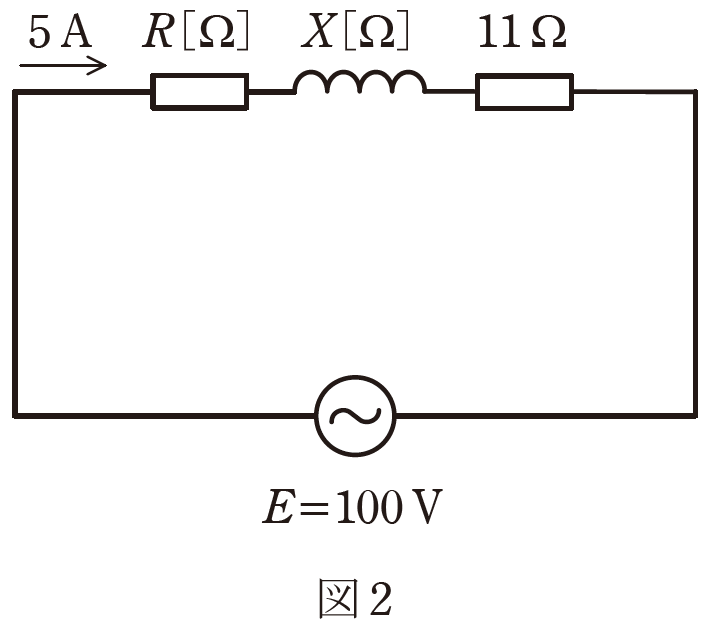
この回路に図2のように、更に抵抗 \(11Ω\) を直列接続したところ、回路に流れる電流は \(5A\) になった。
抵抗 \(R[Ω]\) の値として、最も近いものを次の(1)~(5)のうちから一つ選べ。


(1) 16.7 (2) 5.5 (3) 11.4 (4) 8.6 (5) 8.1
答え
(5)
解説テキスト リンク
回答解説
回答の流れ
(1) 図1の分析をする
(2) 図2の分析をする
(1) 図1の分析をする

図1の抵抗\(R[Ω]\)と誘導性リアクタンス\(X[Ω]\)の直列回路のときのインピーダンスの大きさ\(Z\)は、
\(Z=\sqrt{R^2+X^2}\)
このときに回路に流れる電流を\(I_1\)とすると、問題文から\(I_1=10[A]\)なので、
\(I_1=\frac{E}{Z}=\frac{100}{\sqrt{R^2+X^2}}=10\)
⇔\(\sqrt{R^2+X^2}=10\)
⇔\(R^2+X^2=100\) …①
(2) 図2の分析をする

抵抗\(11Ω\)を追加で直列接続したときのインピーダンスの大きさ\(Z’\)として展開して①式を代入すると、
\(\begin{eqnarray}
Z’&=&\sqrt{(R+11)^2+X^2} \\ \\
&=&\sqrt{(R^2+22R+121)+X^2} \\ \\
&=&\sqrt{(R^2+X^2)+22R+121} \\ \\
&=&\sqrt{100+22R+121} \\ \\
&=&\sqrt{22R+221}
\end{eqnarray}\)
流れる電流を\(I_2\)とすると、問題文から\(I_2=5[A]\)なので、
\(I_2=\frac{E}{Z’}=\frac{100}{\sqrt{22R+221}}=5\)
⇔ \(\sqrt{22R+221}=20\)
⇔ \(22R+221=20^2\)
⇔ \(22R+221=400\)
⇔ \(R=\frac{179}{22}=8.14=8.1Ω\)
以上より、(5)が答えです。
出典元
一般財団法人電気技術者試験センター (https://www.shiken.or.jp/index.html)
令和7年度下期 第三種電気主任技術者試験 理論科目問9




コメント