概要
RLCが並列接続された交流回路の周波数毎の電流を求める計算問題です。
計算量もあまり多くないため、交流回路の問題の中では解きやすい問題です。
キーワード
交流回路、RLC並列接続回路、周波数
問題
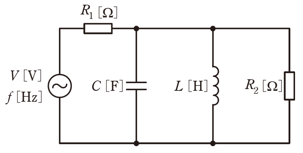
図のように、\(R_1=20Ω\) と \(R_2=30Ω\) の抵抗、静電容量 \(C=\frac{1}{100π}[F]\)のコンデンサ、インダクタンス \(L=\frac{1}{4π}[H]\) のコイルからなる回路に周波数 \(f [Hz]\) で実効値 \(V [V]\) が一定の交流電圧を加えた。
\(f=10 Hz\) のときに \(R_1\) を流れる電流の大きさを \(I_{10Hz} [A]\)、\(f=10 MHz\) のときに \(R_1\) を流れる電流の大きさを\(I_{10MHz} [A]\) とする。
このとき、電流比\(\frac{I_{10Hz}}{I_{10MHz}}\) の値として、最も近いものを次の(1)~(5)のうちから一つ選べ。

(1) 2.5 (2) 1.7 (3) 1.0 (4) 0.6 (5) 0.4
答え
(5)
解説テキスト リンク
回答解説
回答の流れ
(1) 合成インピーダンス \(Z\) を立式する
(2) \(f=10Hz\) のときの \(I_{10Hz}\) を求める
(3) \(f=10MHz\) のときの \(I_{10MHz}\) を求める
(4) 電流比 \(\frac{I_{10Hz}}{I_{10MHz}}\) を求める
(1) 合成インピーダンス \(Z\) を立式する
\(R_2[Ω]\)、\(L[H]\)、\(C[F]\)の並列接続の合成インピーダンスを\(Z\)として式を整理する。
このとき、問題文で与えられた \(C=\frac{1}{100π}[F]\)、 \(L=\frac{1}{4π}[H]\) を代入する。

\(\begin{eqnarray}
\frac{1}{Z}&=&\frac{1}{R}+j(ωC-\frac{1}{ωL})\\
&=&\frac{1}{30}+j(2πf\frac{1}{100π}-\frac{4π}{2πf})\\
&=&\frac{1}{30}+j(\frac{f}{50}-\frac{2}{f})
\end{eqnarray}\)

⇔ \(\displaystyle Z=\frac{1}{\frac{1}{30}+j(\frac{f}{50}-\frac{2}{f})}\)
(2) \(f=10Hz\) のときの \(I_{10Hz}\) を求める
\(f=10Hz\)のときの\(Z\)を\(Z_{10}\)とする。
\(\displaystyle Z_{10}=\frac{1}{\frac{1}{30}+j(\frac{10}{50}-\frac{2}{10})}=\frac{1}{\frac{1}{30}+j(\frac{1}{5}-\frac{1}{5})}=30Ω\)
したがって、\(R_1\)を流れる電流の大きさ\(I_{10Hz}[A]\)は、
\(\displaystyle I_{10Hz}=\frac{V}{R_1+Z_{10}}=\frac{V}{20+30}=\frac{V}{50}[A]\) …①
(3) \(f=10MHz\) のときの \(I_{10MHz}\) を求める
\(f=10MHz\)のときの\(Z\)を\(Z_{10M}\)とする。
\(\displaystyle Z_{10M}=\frac{1}{\frac{1}{30}+j(2×10^5-2×10^{-7})}≒\frac{1}{\frac{1}{30}+j2×10^5}\)
\(Z_{10M}\) の大きさ\(|Z_{10M}|\)は、
\(\displaystyle |Z_{10M}|=\frac{1}{\sqrt{(\frac{1}{30})^2+(2×10^5)^2}}≒\frac{1}{2×10^5}=5×10^{-6}\)
したがって、\(R_1\)を流れる電流の大きさ\(I_{10MHz}[A]\)は、
\(\displaystyle I_{10MHz}=\frac{V}{R_1+|Z_{10M}|}=\frac{V}{20+5×10^{-6}}≒\frac{V}{20}[A]\) …②
(4) 電流比 \(\frac{I_{10Hz}}{I_{10MHz}}\) を求める
①式÷②式から、
\(\displaystyle \frac{I_{10Hz}}{I_{10MHz}}=\frac{\frac{V}{50}}{\frac{V}{20}}=\frac{20}{50}=0.4\)
以上より、(5)が答えです。
出典元
一般財団法人電気技術者試験センター (https://www.shiken.or.jp/index.html)
令和7年度下期 第三種電気主任技術者試験 理論科目問8




コメント