概要
過渡解析の計算問題です。
単純なRL回路の解析であるため、解答しやすい問題です。
時定数が大きくなると変化が遅くなり、小さくなると変化が早くなります。
キーワード
過渡解析
問題
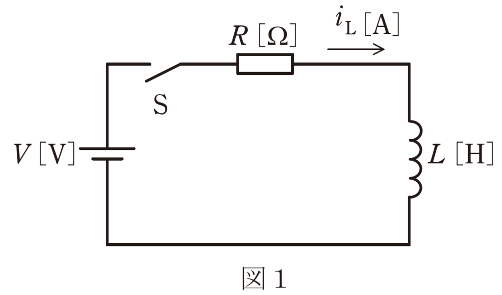
開放電圧が \(V[V]\) で出力抵抗が十分に低い直流電圧源と、インダクタンスが \(L[H]\) のコイルが与えられ、抵抗 \(R[Ω]\) が図1のようにスイッチSを介して接続されている。
時刻 \(t=0\) でスイッチSを閉じ、コイルの電流 \(i_L[A]\) の時間に対する変化を計測して、波形として表す。
\(R=1Ω\) としたところ、波形が図2であったとする。
\(R=2Ω\) であればどのような波形となるか、波形の変化を最も適切に表すものを次の(1)~(5)のうちから一つ選べ。
ただし、選択肢の図中の点線は図2と同じ波形を表し、実線は \(R=2Ω\) のときの波形を表している。







答え
(4)
解説テキスト リンク
回答解説
回答の流れ
(1) 回路方程式を立式する
(2) 過渡状態の解析をして時定数を求める
(3) 定常状態の解析をして収束する電流値を求める
(1) 回路方程式を立式する

時刻 \(t=0\) でスイッチSを閉じると流れる電流 \(i_L[A]\) から、キルヒホッフの電圧測を使って回路の方程式を立式すると、
\(V=Ri_L+L\frac{di_L}{dt}\) …①
(2) 過渡状態の解析をして時定数を求める
過渡状態の電流を \(i_t\) とします。この \(i_t\) は、指数関数状に変化します。
指数関数に、係数 \(k\) と指数 \(s\) を掛けると、次式で表すことができます。
\(i_t=ke^{-st}\) …②
②式を微分すると、
\(\frac{di_t}{dt}=-ske^{-st}\) …③

左図の過渡状態の回路から、回路の方程式を立てて整理し、指数の係数\(s\)を求めます。
\(0=Ri_t-L\frac{di_t}{dt}\)
⇔ \(0=Rke^{-st}-sLke^{-st}=(R-sL)ke^{-st}\)
⇔ \(s=\frac{R}{L}\) …④
時定数\(τ\) は、\(τ=\frac{1}{s}=\frac{L}{R}\)です。
抵抗値\(R[Ω]\)を1Ωから2Ωに変更すると、時定数 \(τ\) が半分になります。
➡ 時定数が小さくなることによって、立上りの速度が速くなります。
時定数\(τ\) は、システムが過渡状態から定常状態に近づく速さを示す時間の指標で、
時定数が大きくなると定常状態になるまでの時間が長くなり、
時定数が小さくなると定常状態になるまでの時間が短くなります。
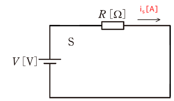
(3) 定常状態の解析をして収束する電流値を求める
定常状態の回路から、回路の方程式を立てて整理し、収束する電流値を求めます。

定常状態の電流を\(i_s\)とします。
定常状態では電流値は変化しないので、
\(\frac{di_s}{dt}=0\)
回路方程式に代入すると、
\(V=Ri_s\)
⇔ \(i_s=\frac{V}{R}\) …⑤
抵抗値\(R=1Ω\)のときの収束する電流値は3Aです。
抵抗値を1Ωから2Ωに変更すると、⑤式から収束する電流値は半分の1.5Aになることがわかります。
以上より、立上りが早くなっていて、収束する電流値が1.5Aの波形は(4)です。
出典元
一般財団法人電気技術者試験センター (https://www.shiken.or.jp/index.html)
令和7年度下期 第三種電気主任技術者試験 理論科目問10



コメント