概要
直流回路の計算問題です。
(a)問題は簡単に回答できることでしょう。
(b)問題は、キルヒホッフの電圧則から方程式を立てるか、Δ-Y変換をして合成抵抗を計算しやすくしてから計算する必要があります。
普通程度の難易度ですが、多少計算の手間がかかる問題です。
キーワード
直流回路、Δ-Y変換
問題
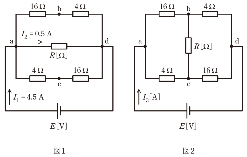
図の直流回路において、次の(a)及び(b)に答えよ。
ただし、電源電圧 \(E [V]\) の値は一定で変化しないものとする。

(a) 図1 のように抵抗 \(R[Ω]\) を端子a, d 間に接続したとき、 \(I_1=4.5 A\)、\(I_2=0.5 A\) の電流が流れた。抵抗 \(R\) の値 \([Ω]\) として、正しいものを次の(1)~(5)のうちか
ら一つ選べ。
(1) 180 (2) 160 (3) 80 (4) 40 (5) 20
(b) 図1 の抵抗 \(R [Ω]\) を図2 のように端子b, c 間に接続し直したとき、回路に流
れる電流 \(I_3\) の値 \([A]\) として、最も近いものを次の(1)~(5)のうちから一つ選べ。
(1) 5.5 (2) 4.8 (3) 4.5 (4) 4.2 (5) 4.0
答え
(a)(3)
(b)(4)
解説テキスト リンク
回答解説
問題(a)
20Ωの抵抗2つと、R[Ω]の抵抗の並列接続として考えられるので、全体の抵抗値を\(R'[Ω]\)とすると、
\(\frac{1}{R’}=\frac{1}{20}+\frac{1}{R}+\frac{1}{20}\)
⇔ \(R’=\frac{10R}{10+R}\) …①
抵抗Rに流れる電流\(I_2=0.5A\)なので、電源電圧\(E[V]\)は、
\(E=0.5R[V]\) …②
電源から供給する電流\(I_1=4.5A\)なので、①・②を代入すると、
\(I_1=\frac{E}{R’}=\frac{10+R}{20}=4.5\)
⇔ \(R=80Ω\)
以上より、問題(a)は、(3)が答えです。
問題(b)
(b)問題の解答方法
解答方法には2つのアプローチがあります。
①Δ-Y変換をして合成抵抗を求められるようにしてから計算をする。
②キルヒホッフの電圧測から連立方程式を立式して解く。
一般的な解放としては、②のキルヒホッフの電圧測から解く方法ですが、
本頁では、①のΔ-Y変換をするアプローチをします。
要望があれば、②についても追記します。

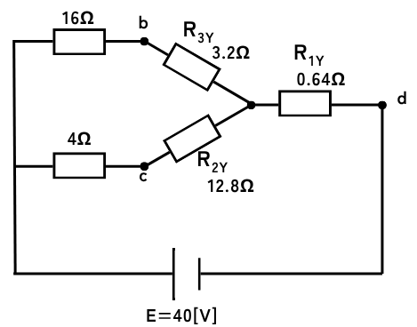
(b)問題の回路

Δ-Y変換
bcd端子間に繋がっている3つの抵抗にΔ-Y変換をすると、
\(R_{1Y}=\frac{R_2・R_3}{R_1+R_2+R_3}=\frac{4・16}{80+4+16}=0.64\)
\(R_{2Y}=\frac{R_3・R_1}{R_1+R_2+R_3}=\frac{16・80}{80+4+16}=12.8\)
\(R_{3Y}=\frac{R_1・R_2}{R_1+R_2+R_3}=\frac{80・4}{80+4+16}=3.2\)

Δ-Y変換後の回路
Δ-Y変換後の回路を書き直すと左図のようになります。
左図の全合成抵抗 \(R_{all}[Ω]\) を求めると、
\(\displaystyle \begin{eqnarray}
R_{all}&=&\frac{(16+3.2)・(4+12.8)}{(16+3.2)+(4+12.8)}+0.64 \\ \\
&=&8.96+0.64 \\
&=&9.6
\end{eqnarray}\)
電源電圧 \(E[V]\) は、(a)問題から、
\(E=0.5・R=0.5・80=40[V]\)
以上より、\(I_3[A]\)は、
\(I_3=\frac{E}{R_{all}}=\frac{40}{9.6}=4.16≒4.2A\)
以上より、問題(b)は(4)が答えです。
出典元
一般財団法人電気技術者試験センター (https://www.shiken.or.jp/index.html)
令和7年度下期 第三種電気主任技術者試験 理論科目問16





コメント