概要
三相交流回路の計算問題です。
RLCが接続されているため、ぱっと見難しそうに見えます。
しかし、Y-Y結線なので、三相交流の単元の中ではかなり解きやすい問題です。
キーワード
三相交流回路、Y-Y結線
問題
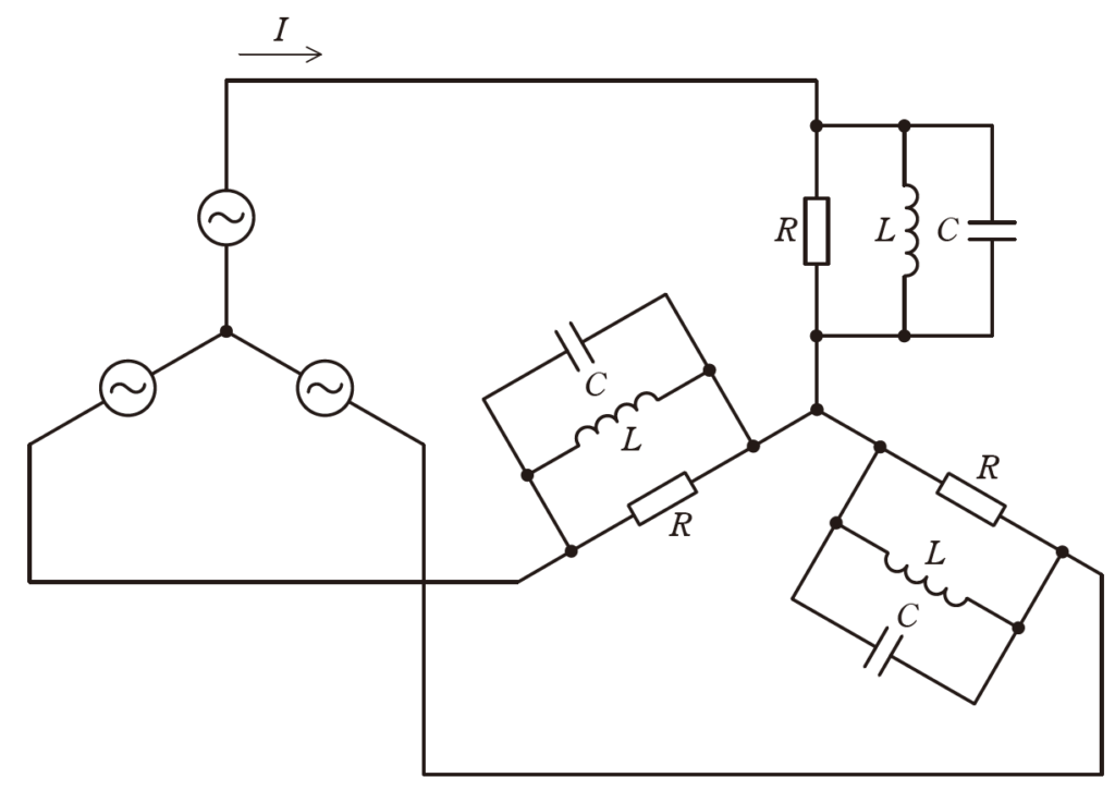
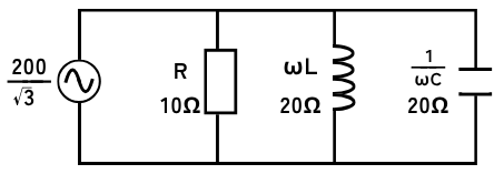
図のように線間電圧 \(200V\)、周波数 \(50Hz\) の対称三相交流電源にRLC負荷が接続されている。 \(R=10Ω\)、電源角周波数を \(ω[rad/s]\) として、\(ωL=20Ω\)、\(\frac{1}{ωC}=20Ω\) である。
次の(a)及び(b)の問に答えよ。

(a)電源電流Iの値[A]として,最も近いものを次の(1)~(5)のうちから一つ選べ。
(1)5.77 (2)7.00 (3)11.5 (4)14.0 (5)22.5
(b)三相負荷の有効電力Pの値[kW]として,最も近いものを次の(1)~(5)のうちから一つ選べ。
(1)2.6 (2)1.3 (3)4.0 (4)3.5 (5)12
答え
(a)(3)
(b)(3)
解説テキスト リンク
回答解説
(a)問題の解答の流れ
(1) 並列接続されたRLC回路の合成インピーダンスを求める
(2) 線電流を求める
(1) 並列接続されたRLC回路の合成インピーダンスを求める
問題の回路は、Y-Y結線なので、電源・負荷共に相電圧の単相回路の形で取り出して計算ができます。

各相のRLCの並列接続の合成インピーダンスを\(Z\)とすると、
\(\frac{1}{Z}=\frac{1}{R}+\frac{1}{jωL}+jωC=\frac{1}{R}+j(ωC-\frac{1}{ωL})\)
\(R=10Ω\)、\(ωL=20Ω\)、\(\frac{1}{ωC}=20Ω\)を代入すると、
\(\frac{1}{Z}=\frac{1}{10}+j(\frac{1}{20}-\frac{1}{20})=\frac{1}{10}\)
⇔\(Z=10Ω\)
(2) 線電流を求める

線間電圧が200Vなので、相電圧\(E\)は、\(E=\frac{200}{\sqrt{3}}\)
線電流\(I[A]\)は、
\(I=\frac{E}{Z}=\frac{200}{10\sqrt{3}}≒11.5[A]\)
以上より、問題(a)は、(3)が答えです。
(b)問題の解答の流れ
(1) 有効電力を求める
(1) 有効電力を求める
1相分の回路の有効電力\(P_1[W]\)を求めます。

相電圧\(E=\frac{200}{\sqrt{3}}[V]\)、抵抗値\(R=10Ω\)なので、各相の有効電力\(P_1[W]\)は、
\(P_1=\frac{E^2}{R}=\frac{40000}{30}=1333[W]\)
三相交流回路は、三相負荷全体の有効電力を求めなければならないので、各相の有効電力\(P_1[W]\)の3倍を求めます。
したがって、三相負荷全体の有効電力\(P[kW]\)は、
\(P=3P_1≒4000=4.0[kW]\)
以上より、問題(b)は、(3)が答えです
出典元
一般財団法人電気技術者試験センター (https://www.shiken.or.jp/index.html)
令和7年度下期 第三種電気主任技術者試験 理論科目問15



コメント