概要
直流回路の計算問題です。
オームの法則と、合成抵抗の計算だけの基礎問題なので確実に回答できるようになりましょう。
キーワード
オームの法則、合成抵抗
問題
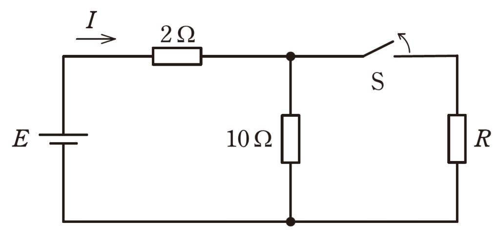
図のような直流回路において、スイッチSを閉じているとき、\(2Ω\)の抵抗を流れる電流は、スイッチSを開いたときの電流の3倍であった。
Rの値\([Ω]\)として、最も近いものを次の(1)~(5)のうちから一つ選べ。

(1) 2.5 (2) 3.5 (3) 0.5 (4) 1.5 (5) 4.5
答え
(1)
解説テキスト リンク
回答解説
回答の流れ
1. スイッチSを開いたときに2Ωの抵抗に流れる電流\(I_0[A]\)を求める
2. スイッチSを閉じたときに2Ωの抵抗に流れる電流\(I[A]\)を求める
3. \(I[A]\)が\(I_0[A]\)の3倍の条件から、抵抗\(R[Ω]\)を求める
1. スイッチSを開いたときに2Ωの抵抗に流れる電流\(I_0[A]\)を求める

スイッチSを開いたときに2Ωの抵抗に流れる電流を\(I_0[A]\)とすると、
\(I_0=\frac{E}{2+10}=\frac{E}{12}\) …①
2. スイッチSを閉じたときに2Ωの抵抗に流れる電流\(I[A]\)を求める

スイッチSを閉じたときの10ΩとR[Ω]の並列接続の抵抗の合成抵抗値を\(R’\)とすると、
\(\frac{1}{R’}=\frac{1}{10}+\frac{1}{R}\)
⇔ \(R’=\frac{10R}{10+R}\) …②
スイッチSを閉じたときに2Ωに流れる電流\(I[A]\)は、
\(I=\frac{E}{2+R’}\) …③
3. \(I[A]\)が\(I_0[A]\)の3倍の条件から、抵抗\(R[Ω]\)を求める
\(I[A]\)は、\(I_0\)の3倍なので、①・③式から、
\(I=3I_0\)
⇔ \(\frac{E}{2+R’}=3・\frac{E}{12}\)
⇔ \(4=2+R’\)
⇔ \(R’=2Ω\) …④
④に、②式を代入すると、
\(\frac{10R}{10+R}=2\)
⇔\(5R=10+R\)
⇔\(R=2.5Ω\)
以上より、(1)2.5 が答えです。
出典元
一般財団法人電気技術者試験センター (https://www.shiken.or.jp/index.html)
令和7年度上期 第三種電気主任技術者試験 理論科目問7
参考書
イラストがとても多く、視覚的に理解しやすいので、初学者に、お勧めなテキストです。
問題のページよりも、解説のページ数が圧倒的に多い、初学者に向けの問題集です。
問題集は、解説の質がその価値を決めます。解説には分かりやすいイラストが多く、始めて電気に触れる人でも取り組みやすいことでしょう。
本ブログの管理人は、電験3種過去問マスタを使って電験3種を取りました。
この問題集の解説は、要点が端的にまとまっていて分かりやすいのでお勧めです。
ある程度学んで基礎がある人に向いています。







コメント