概要
直流回路の分圧則、並列抵抗の合成抵抗を求めていく計算問題です。
計算量は少々多いかもしれませんが、基礎的な内容なので、確実に回答できるようになりましょう。
キーワード
分圧則、並列抵抗の合成抵抗、オームの法則
問題
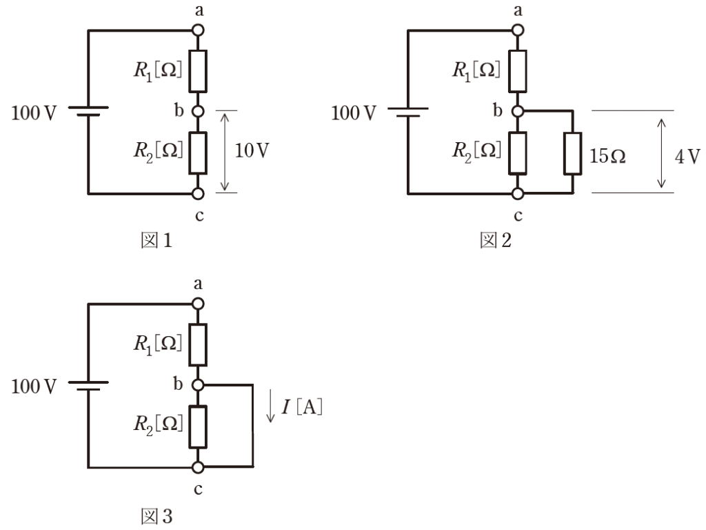
図1の直流回路において、端子a-c 間に直流電圧\(100V\) を加えたところ、端子b-c 間の電圧は\(10 V\)であった。
また、図2 のように端子b-c 間に\(15Ω\) の抵抗を並列に追加したとき、端子b-c 間の電圧は\(4V\) であった。
今、図3 のように端子b-c 間を短絡したとき、電流\(I\) の値\([A]\)として、最も近いものを次の(1)~(5)のうちから一つ選べ。

(1) 0.0 (2) 0.44 (3) 0.32 (4) 0.40 (5) 0.10
答え
(2)
解説テキスト リンク
回答解説
回答の流れ
1. 図1から、抵抗\(R_1\)と\(R_2\)の関係を求める
2. 図2から、抵抗\(R_2\)の抵抗値を求める
3. 図3から、電流\(I\)を求める
1. 図1から、抵抗\(R_1\)と\(R_2\)の関係を求める

図1から、\(R_2\)の両端にかかる電圧\(V_2\)は10Vです。分圧の式から、
\(\frac{R_2}{R_1+R_2}・100=10\)
⇔ \(100R_2=10(R_1+R_2)\)
⇔ \(R_1=9R_2\) …①
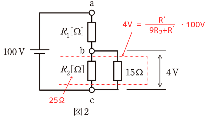
2. 図2から、抵抗\(R_2\)の抵抗値を求める

図2から、抵抗\(R_2\)と15Ωの並列抵抗の抵抗値を\(R’\)とすると、
\(R’=\frac{15R_2}{15+R_2}\) …②

分圧の式から、
\(\frac{R’}{R_1+R’}・100=4\)
⇔ \(25R’=9R_2+R’\)
⇔ \(24R’=9R_2\)
⇔ \(24R’=24・\frac{15R_2}{15+R_2}=\frac{360R_2}{15+R_2}=9R_2\)
⇔ \(40=15+R_2\)
⇔ \(R_2=25Ω\) …③
3. 図3から、電流\(I\)を求める

③式を①式に代入すると、\(R_1=9R_2=225Ω\)
図3の回路図から、
\(I=\frac{100}{R_1}=\frac{100}{225}≒0.44\)
以上より、(2)0.44 が答えです。
出典元
一般財団法人電気技術者試験センター (https://www.shiken.or.jp/index.html)
令和7年度上期 第三種電気主任技術者試験 理論科目問6
参考書
イラストがとても多く、視覚的に理解しやすいので、初学者に、お勧めなテキストです。
問題のページよりも、解説のページ数が圧倒的に多い、初学者に向けの問題集です。
問題集は、解説の質がその価値を決めます。解説には分かりやすいイラストが多く、始めて電気に触れる人でも取り組みやすいことでしょう。
本ブログの管理人は、電験3種過去問マスタを使って電験3種を取りました。
この問題集の解説は、要点が端的にまとまっていて分かりやすいのでお勧めです。
ある程度学んで基礎がある人に向いています。







コメント