概要
直流回路の抵抗値の計算問題です。
少々計算量はありますが、難しい問題ではありません。
キーワード
直流回路
問題
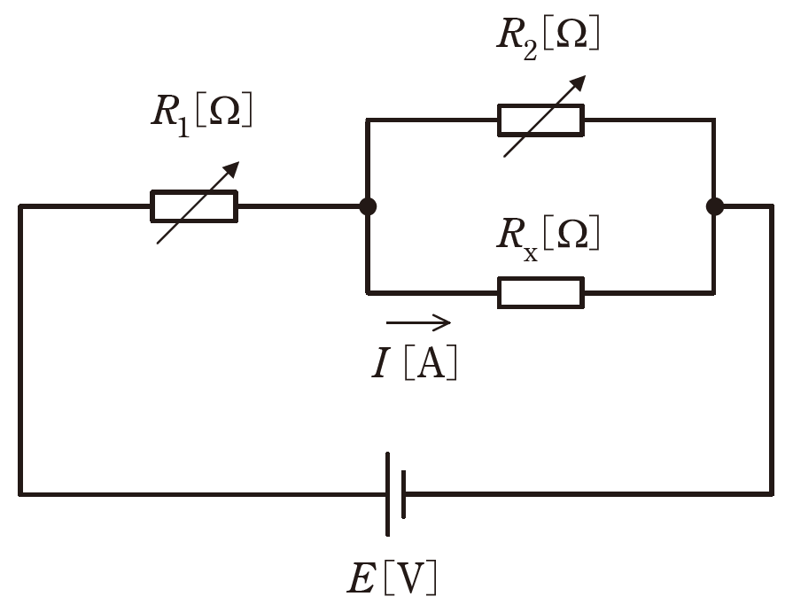
図のように、可変抵抗\(R_1[Ω]\)、\(R_2[Ω]\)、抵抗\(R_x[Ω]\)、電源\(E[V]\)からなる直流回路がある。
次に示す条件1のときの\(R_x[Ω]\)に流れる電流 \(I\) の値 \([A]\) と条件2のときの電流 \(I\) の値 \([A]\) は等しくなった。このとき、\(R_x\)の値\([Ω]\)として、最も近いものを次の(1)~(5)のうちから一つ選べ。
条件1:\(R_1=90Ω\)、\(R_2=6Ω\)
条件2:\(R_1=70Ω\)、\(R_2=3Ω\)

(1) 1.5 (2) 2.4 (3) 4.0 (4) 8.5 (5) 11.6
答え
(2)
解説テキスト リンク
回答解説
回答の流れ
(1) 全合成抵抗値の式を立てる
(2) 電源から出力する電流を求める
(3) \(R_x\)に流れる電流を求める
(4) 条件1・2の電流\(I\)が同じという条件から\(R_x\)を導出する
(1) 全合成抵抗値の式を立てる

\(R_2\)と\(R_x\)の合成抵抗値を\(R_{2x}\)とすると、
\(\frac{1}{R_{2x}}=\frac{1}{R_2}+\frac{1}{R_x}\)
⇔\(R_{2x}=\frac{R_2R_x}{R_2+R_x}\)

\(R_1\)と\(R_2\)と\(R_x\)の全合成抵抗値を\(R\)とすると、
\(R=R_1+R_{2x}=\frac{R_1R_2+R_2R_x+R_xR_1}{R_2+R_x}\)
(2) 電源から出力する電流を求める
電源\(E[V]\)から出力する電流を\(I_0[A]\)とすると、
\(I_0=\frac{E}{R}=\frac{R_2+R_x}{R_1R_2+R_2R_x+R_xR_1}E\)
(3) \(R_x\)に流れる電流を求める

分流の法則から、\(R_x\)に流れる電流\(I[A]\)は、
\(I=\frac{R_2}{R_2+R_x}I_0=\frac{R_2}{R_1R_2+R_2R_x+R_xR_1}E\) …①
(4) 条件1・2の電流\(I\)が同じという条件から\(R_x\)を導出する
①式に条件1 \(R_1=90Ω\)、\(R_2=6Ω\)を代入すると、
\(I=\frac{6}{540+6R_x+90R_x}E=\frac{6}{540+96R_x}E\) …②
①式に条件2 \(R_1=70Ω\)、\(R_2=3Ω\)を代入すると、
\(I=\frac{3}{210+3R_x+70R_x}E=\frac{3}{210+73R_x}E\) …③
②=③式から、
\(6(210+73R_x)=3(540+96R_x)\)
⇔\(50R_x=120\)
⇔\(R_x=2.4\)
以上より、(2)が答えです。
出典元
一般財団法人電気技術者試験センター (https://www.shiken.or.jp/index.html)
令和7年度下期 第三種電気主任技術者試験 理論科目問7




コメント