概要
二電源の直流回路の問題です。
複数電源がある回路の解析は、重ねの理を使って解析するか、キルヒホッフの法則から連立方程式を立てて解析する方法があります。
本ページでは、重ねの理を使って解析する方法で解説します。
キーワード
重ねの理
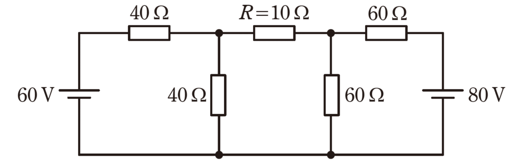
問題
図の直流回路において、抵抗\(R = 10Ω\) で消費される電力の値\([W]\)として、最も近いものを次の(1)~(5)のうちから一つ選べ。

(1) 0.28 (2) 1.89 (3) 3.79 (4) 5.36 (5) 7.62
答え
(1)
解説テキスト リンク
回答の解説
(1)重ねの理から電源ごとの分離回路に切り分ける
(2)60Vの回路の60Vから出力される電流を解析する
(3)60V電源出力から\(R=10Ω\)に流れる電流を求める
(4)80Vの回路を解析する
(5)80V電源出力から\(R=10Ω\)に流れる電流を求める
(6)\(R=10Ω\)に流れる電流を計算する
(7)\(R=10Ω\)で消費される電力を計算する
(1)重ねの理から電源ごとの分離回路に切り分ける
重ねの理では、解析対象の電源以外の「電圧源は短絡」、「電流源は開放」として扱います。
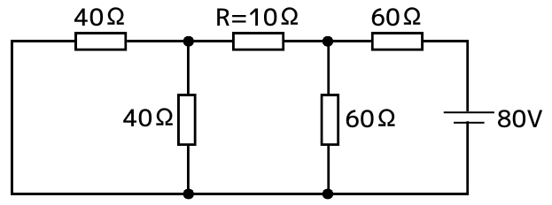
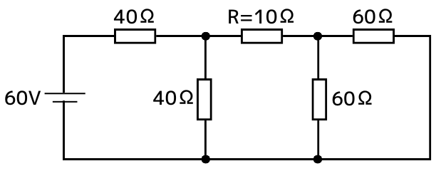
本問では、60Vについて解析するときは80V電圧源を短絡、80Vについて解析するときは60V電圧源を短絡した分離回路を描きます。

60Vの回路

80Vの回路
(2)60Vの回路の60Vから出力される電流を解析する

➡

回路の合成抵抗を求めると、\(60Ω\)です。
\(60V\)の電圧源から出力される電流は、オームの法則から\(I=\frac{60V}{60Ω}=1A\)と求まります。
(3)60V電源出力から\(R=10Ω\)に流れる電流を求める

➡

\(R=10Ω\)に流れる電流\(I_{R60}\)は、
\(\displaystyle I_{R60}=\frac{40}{40+(10+30)}・1A=0.5A\)
です。
(4)80Vの回路を解析する

➡

回路の合成抵抗を求めると、\(80Ω\)です。
\(80V\)の電圧源から出力される電流は、オームの法則から\(I=\frac{80V}{80Ω}=1A\)と求まります。
(5)80V電源出力から\(R=10Ω\)に流れる電流を求める

➡

\(R=10Ω\)に流れる電流\(I_{R80}\)は、
\(\displaystyle I_{R80}=\frac{60}{60+(10+20)}・1A=0.666A\)
です。
(6)\(R=10Ω\)に流れる電流を計算する

\(R=10Ω\)に流れる2つの電流を合成した電流\(I_R\)は、右から左に流れるときを正とすると、
\(\begin{eqnarray}
I_R&=&I_{R80}-I_{R60}\\
&=&0.666-0.5\\
&=&0.166A
\end{eqnarray}\)
と、求まります。
したがって、右から左に\(0.166A\)流れることがわかります。
(7)\(R=10Ω\)で消費される電力を計算する
電力の式\(P=I^2R\)から、
\(P=I_R^2R=0.166^2・10=0.275≒0.28[W]\)
以上より、(1)0.28 が答えです。
出典元
一般財団法人電気技術者試験センター (https://www.shiken.or.jp/index.html)
令和6年度上期 第三種電気主任技術者試験 理論科目A問題問5
参考書
イラストがとても多く、視覚的に理解しやすいので、初学者に、お勧めなテキストです。
問題のページよりも、解説のページ数が圧倒的に多い、初学者に向けの問題集です。
問題集は、解説の質がその価値を決めます。解説には分かりやすいイラストが多く、始めて電気に触れる人でも取り組みやすいことでしょう。
本ブログの管理人は、電験3種過去問マスタを使って電験3種を取りました。
この問題集の解説は、要点が端的にまとまっていて分かりやすいのでお勧めです。
ある程度学んで基礎がある人に向いています。





コメント