概要
ブリッジ回路の計算問題です。
問われている内容は、ブリッジ回路の扱い方と、直並列接続された抵抗の合成程度の初歩的な内容なので、確実に回答したい問題です。
キーワード
ブリッジ回路、抵抗値の合成
問題
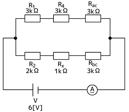
(a) 図のブリッジ回路を用いて、未知抵抗\(R_x\)を測定したい。
抵抗\(R_1=3kΩ,R_2=2kΩ,R_4=3kΩ\)とし、\(R_3=6kΩ\)の滑り抵抗器の接触子の接点Cをちょうど中央に調整したとき(\(R_{ac}=R_{bc}=3kΩ\))ブリッジが平衡したという。
次の(a)及び(b)の問に答えよ。
ただし、直流電圧源は\(6V\)とし、電流計の内部抵抗は無視できるものとする。

(a) 未知抵抗\(R_x\) の値\([kΩ]\)として、最も近いものを次の(1)~(5)のうちから一つ選べ。
(1) 0.1 (2) 0.5 (3) 1.0 (4) 1.5 (5) 2.0
(b) 平衡時の電流計の指示値[mA]として、最も近いものを次の(1)~(5)のうちから一つ選べ。
(1) 0 (2) 0.4 (3) 1.5 (4) 1.7 (5) 2.0
答え
(a)(3)
(b)(4)
解説テキスト リンク
回答解説
(a)問題の解答の流れ
①ブリッジ条件から\(R_x\)を求める
①ブリッジ条件から\(R_x\)を求める

\(R_1(R_x+R_{bc})=R_2(R_4+R_{ac})\)
⇔ \(3000(R_x+3000)=2000(3000+3000)\)
⇔ \(R_x=1000=1kΩ\)
以上より、(a)問題は(3)が答えです。
(b)問題の解答の流れ
①直列・並列接続された抵抗の合成抵抗値を求める
②オームの法則から電流値を求める
①直列・並列接続された抵抗の合成抵抗値を求める

平衡していることから、検流計には電流が流れないので、
3つの抵抗\(R_1=3kΩ\)、\(R_4=3kΩ\)、\(R_{ac}=3kΩ\)の直列接続と、
3つの抵抗\(R_2=2kΩ\)、\(R_x=1kΩ\)、\(R_{bc}=3kΩ\)の直列接続を、
並列接続した回路となります。
その合成抵抗\(R\)は、
\(\displaystyle \frac{1}{R}=\frac{1}{R_1+R_4+R_{ac}}+\frac{1}{R_2+R_x+R_{bc}}=\frac{1}{9000}+\frac{1}{6000}\)
⇔\(R=3.6kΩ\)
②オームの法則から電流値を求める
オームの法則から、
\(\displaystyle I=\frac{V}{R}=\frac{6}{3600}=1.7mA\)
以上より、(b)問題は(4)が答えです。
出典元
一般財団法人電気技術者試験センター (https://www.shiken.or.jp/index.html)
令和6年度下期 第三種電気主任技術者試験 理論科目B問題問16
参考書
イラストがとても多く、視覚的に理解しやすいので、初学者に、お勧めなテキストです。
問題のページよりも、解説のページ数が圧倒的に多い、初学者に向けの問題集です。
問題集は、解説の質がその価値を決めます。解説には分かりやすいイラストが多く、始めて電気に触れる人でも取り組みやすいことでしょう。
本ブログの管理人は、電験3種過去問マスタを使って電験3種を取りました。
この問題集の解説は、要点が端的にまとまっていて分かりやすいのでお勧めです。
ある程度学んで基礎がある人に向いています。



コメント