概要
コンデンサが接続された直流回路の計算問題です。
コンデンサの電荷が0のときは短絡、電荷が満充電のときは開放として取り扱います。
コンデンサの取り扱いを理解していれば、後は直列・並列接続された直流回路の解析です。
簡単な部類の問題なので、確実に回答できるようになりましょう。
キーワード
直流回路中のコンデンサ、直列・並列接続回路
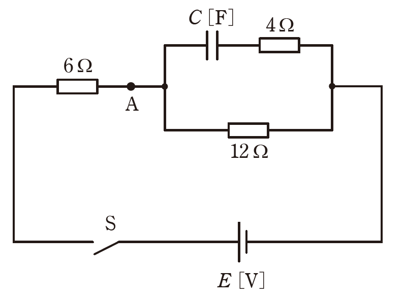
問題
図に示す回路において、スイッチS を閉じた瞬間(時刻\(t=0\))に点Aを流れる電流を \(I_0 [A]\) とし、十分に時間が経ち、定常状態に達したのちに点Aを流れる電流を\(I [A]\)とする。
電流比\(\frac{I_0}{I}\)の値として、最も近いものを次の(1)~(5)のうちから一つ選べ。
ただし、コンデンサの初期電荷は零とする。

(1) 0.5 (2) 1.0 (3) 1.5 (4) 2.0 (5) 2.5
答え
(4)
解説テキスト リンク
回答の解説
(1)\(t=0\)のときに点Aを流れる電流 \(I_0 [A]\)を求める
(2)定常状態(\(t=∞\))のときに点Aを流れる電流 \(I[A]\)を求める
(3)電流比\(\frac{I_0}{I}\)を求める
(1)\(t=0\)のときに点Aを流れる電流 \(I_0 [A]\)を求める

スイッチSを閉じた直後(\(t=0\))のコンデンサは、初期電荷が無いため、一切の抵抗を受けずに電流がそのまま通り抜けます。
そのため、スイッチを閉じた直後(\(t=0\))のコンデンサは短絡として扱えます。
このときの回路の合成抵抗\(R_0\)を求めると、
\(\displaystyle R_0=6+\frac{1}{\frac{1}{4}+\frac{1}{12}}=6+3=9Ω\)
この時の点Aを流れる電流\(I_0\)は、
\(\displaystyle I_0=\frac{E}{R_0}=\frac{E}{9}[A]\)
(2)定常状態(\(t=∞\))のときに点Aを流れる電流 \(I[A]\)を求める

定常状態(\(t=∞\))のコンデンサは、電荷が満充電状態となり、電流が流れなくなります。
そのため、定常状態のコンデンサは開放として扱えます。
このときの回路の合成抵抗\(R\)を求めると、
\(R=6+12=18Ω\)
この時の点Aを流れる電流\(I\)は、
\(\displaystyle I=\frac{E}{R}=\frac{E}{18}[A]\)
(3)電流比\(\frac{I_0}{I}\)を求める
電流比は、
\(\displaystyle \frac{I_0}{I}=\frac{\frac{E}{9}}{\frac{E}{18}}=2.0\)
となります。
以上より、答えは(4)です。
出典元
一般財団法人電気技術者試験センター (https://www.shiken.or.jp/index.html)
令和6年度下期 第三種電気主任技術者試験 理論科目A問題問10
参考書
イラストがとても多く、視覚的に理解しやすいので、初学者に、お勧めなテキストです。
問題のページよりも、解説のページ数が圧倒的に多い、初学者に向けの問題集です。
問題集は、解説の質がその価値を決めます。解説には分かりやすいイラストが多く、始めて電気に触れる人でも取り組みやすいことでしょう。
本ブログの管理人は、電験3種過去問マスタを使って電験3種を取りました。
この問題集の解説は、要点が端的にまとまっていて分かりやすいのでお勧めです。
ある程度学んで基礎がある人に向いています。



コメント