概要
エミッタフォロワ回路の解析の問題です。
解析すべき回路も示されてはいますが、電子回路の単元は成れるまで着手しづらいと思いますので、類似問題を多く解きましょう。
キーワード
エミッタフォロワ回路、hパラメータ、交流等価回路
問題
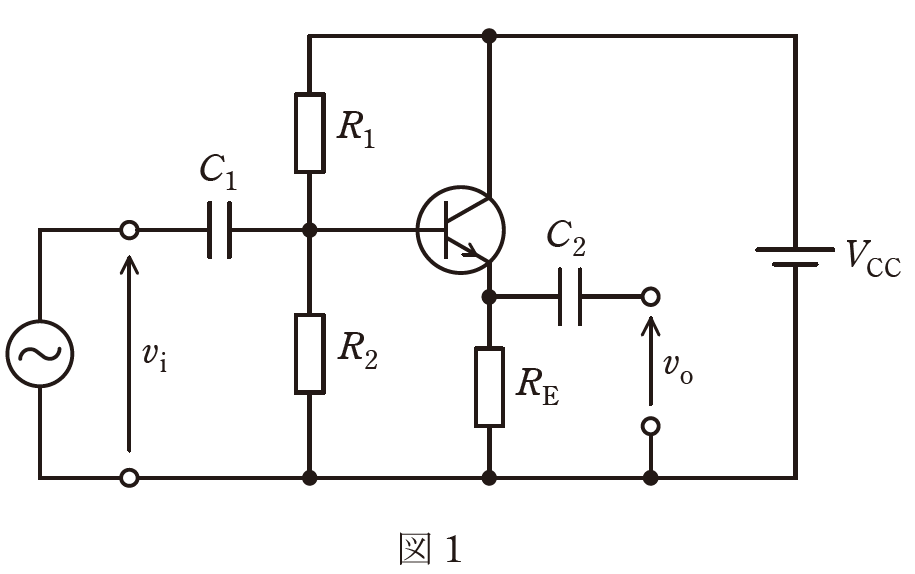
エミッタホロワ回路について、次の(a)及び(b)の問に答えよ。
(a) 図1の回路で\(V_{CC}=9V\)、\(R_1=3kΩ\)、\(R_2=6kΩ\)とする。
動作点におけるエミッタ電流を\(2mA\)としたい。抵抗\(R_E\)の値\([kΩ]\)として、最も近いものを次の(1)~(5)のうちから一つ選べ。
ただし、動作点において、ベース電流は\(R_2\)を流れる直流電流より十分小さく無視できるものとし、ベース-エミッタ間電圧は\(0.7V\)とする。

(1)\(0.36\) (2)\(1.5\) (3)\(2.7\) (4)\(4.7\) (5)\(7.5\)
(b) 図2は、エミッタホロワ回路の交流等価回路である。
ただし、使用する周波数において図1の二つのコンデンサのインピーダンスが十分に小さい場合を考えている。
ここで、\(h_{ie} =2.5 kΩ\) 、 \(h_{fe}=300\) であり、 \(R_E\) は小問(a)で求めた値とする。
入力インピーダンス\(\frac{v_i}{i_i}\)の値\([kΩ]\)として、最も近いものを次の(1)~(5)のうちから一つ選べ。
ただし、\(v_i\) と\(i_i\) はそれぞれ図2 に示す入力電圧と入力電流である。

(1)\(2.0\) (2)\(15\) (3)\(80\) (4)\(300\) (5)\(750\)
答え
(a)(3)
(b)(1)
解説テキスト リンク
回答解説
(a)問題

分圧式から、ベース電圧\(V_B\)を求めます。
\(V_B=\frac{6}{3+6}×9=6V\)

エミッタ電圧\(V_E\)は、ベース電圧\(V_B\)からベース-エミッタ間電圧\(V_{BE}\)が下がった電圧なので、
\(V_E=V_B-V_{BE}=6-0.7=5.3V\)

エミッタ電流\(I_E\)は、2mAとしたいので、
\(I_E=\frac{V_E}{R_E}\)
⇔\(R_E=\frac{V_E}{I_E}=\frac{5.3}{2×10^{-3}}=2650Ω≒2.7kΩ\)
以上より、(a)問題は(3)\(2.7\) が答えです。
(b)問題

並列につながる\(R_1\)と\(R_2\)のバイアス回路の合成抵抗値\(R\)は、
\(\begin{eqnarray}
R&=&\frac{R_1R_2}{R_1+R_2}\\
&=&\frac{3000・6000}{3000+6000}\\
&=&2000=2kΩ …①
\end{eqnarray}\)
入力電圧\(v_i\)と、流れる電流から式を立てると、
\(v_i=h_{ie}i_b+R_Ei_e=2500i_b+2700(1+300)i_b=815200i_b\)
トランジスタの入力インピーダンス\(r_b\)は、
\(r_b=\frac{v_i}{i_b}=815200=815.2kΩ\) …②

エミッタフォロワ回路の入力インピーダンス\(R_{in}\)は、\(R\)と\(r_b\)の並列接続なので、①・②式を使用して、次のように解けます。
\(R_{in}=R//r_b=2kΩ//815.2kΩ≒2kΩ\)
以上より、(b)問題は(1)\(2.0\) が答えです。
出典元
一般財団法人電気技術者試験センター (https://www.shiken.or.jp/index.html)
令和7年度上期 第三種電気主任技術者試験 理論科目問18
参考書
イラストがとても多く、視覚的に理解しやすいので、初学者に、お勧めなテキストです。
問題のページよりも、解説のページ数が圧倒的に多い、初学者に向けの問題集です。
問題集は、解説の質がその価値を決めます。解説には分かりやすいイラストが多く、始めて電気に触れる人でも取り組みやすいことでしょう。
本ブログの管理人は、電験3種過去問マスタを使って電験3種を取りました。
この問題集の解説は、要点が端的にまとまっていて分かりやすいのでお勧めです。
ある程度学んで基礎がある人に向いています。






コメント