概要
直流回路の計算問題です。
解答方法は複数あり、重ねの理を使う、キルヒホッフの電圧則から連立方程式を立てて計算する方法があります。
本解説では、重ねの理を使った回答方法を解説します。
キーワード
重ねの理
問題
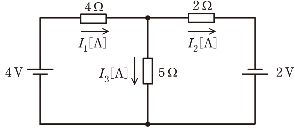
図のように、二つの直流電源と三つの抵抗からなる回路がある。
各抵抗に流れる電流を図に示す向きに定義するとき、電流 \(I_1\)、\(I_2\)、\(I_3\)の値[A]の組合せとして、正しいものを次の(1)~(5)のうちから一つ選べ。

| \(I_1\) | \(I_2\) | \(I_3\) | |
|---|---|---|---|
| (1) | \(-1\) | \(-1\) | \(0\) |
| (2) | \(-1\) | \(1\) | \(-2\) |
| (3) | \(2\) | \(1\) | \(1\) |
| (4) | \(1\) | \(1\) | \(0\) |
| (5) | \(1\) | \(-1\) | \(2\) |
答え
(4)
解説テキスト リンク
回答の解説
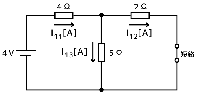
(1)重ねの理を使い、2つの回路に分割する
(2)4V電圧源の回路について解析する
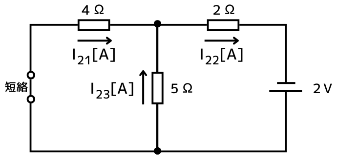
(3)2V電圧源の回路について解析する
(4)回路を重ね合わせる
(1)重ねの理を使い、2つの回路に分割する
問題の回路は、4V電圧源と、2V電圧源の2つの電源があるため、重ねの理を使用して回路を分割します。解析対象の電圧源以外の電圧源は短絡。電流源は開放します。

(2)4V電圧源の回路について解析する

➡

並列接続された\(5Ω\)の抵抗と、\(2Ω\)の抵抗の合成抵抗\(R\)は
\(\displaystyle \frac{1}{R}=\frac{1}{5}+\frac{1}{2}\) ⇔ \(\displaystyle R=\frac{10}{7}Ω\)
回路全体の抵抗値は、\(4+\frac{10}{7}=\frac{38}{7}\)
各抵抗に流れる電流を求めていきます。
オームの法則から\(I_{11}\)を求めます。
\(\displaystyle I_{11}=\frac{4}{\frac{38}{7}}=\frac{14}{19}\)
分流則から、
\(\displaystyle I_{12}=\frac{5}{2+5}I_{11}=\frac{10}{19}\)
\(\displaystyle I_{13}=\frac{2}{2+5}I_{11}=\frac{4}{19}\)
(3)2V電圧源の回路について解析する

➡

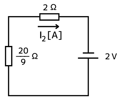
並列接続された\(5Ω\)の抵抗と、\(4Ω\)の抵抗の合成抵抗\(R\)は
\(\displaystyle \frac{1}{R}=\frac{1}{5}+\frac{1}{4}Ω\) ⇔ \(\displaystyle R=\frac{20}{9}Ω\)
回路全体の抵抗値は、\(2+\frac{20}{9}=\frac{38}{9}\)
各抵抗に流れる電流を求めていきます。
オームの法則から\(I_{22}\)を求めます。
\(\displaystyle I_{22}=\frac{2}{\frac{38}{9}}=\frac{9}{19}\)
分流則から、
\(\displaystyle I_{21}=\frac{5}{4+5}I_{22}=\frac{5}{19}\)
\(\displaystyle I_{23}=\frac{4}{4+5}I_{22}=\frac{4}{19}\)
(4)回路を重ね合わせる
解析した電流を向きも考慮して重ね合わせていきます。
\(I_1=I_{11}+I_{21}=\frac{14}{19}+\frac{5}{19}=1\)
\(I_2=I_{12}+I_{22}=\frac{10}{19}+\frac{9}{19}=1\)
\(I_3=I_{13}-I_{23}=\frac{4}{19}-\frac{4}{19}=0\)
以上より、答えは(4) です。
出典元
一般財団法人電気技術者試験センター (https://www.shiken.or.jp/index.html)
令和6年度下期 第三種電気主任技術者試験 理論科目A問題問6
参考書
イラストがとても多く、視覚的に理解しやすいので、初学者に、お勧めなテキストです。
問題のページよりも、解説のページ数が圧倒的に多い、初学者に向けの問題集です。
問題集は、解説の質がその価値を決めます。解説には分かりやすいイラストが多く、始めて電気に触れる人でも取り組みやすいことでしょう。
本ブログの管理人は、電験3種過去問マスタを使って電験3種を取りました。
この問題集の解説は、要点が端的にまとまっていて分かりやすいのでお勧めです。
ある程度学んで基礎がある人に向いています。




コメント