概要
バイポーラトランジスタのエミッタ接地増幅回路の計算問題です。
トランジスタ回路の各ポイントの計算をする必要がある上に、特性のグラフを読み取る必要もあるため、電子回路に関する深い理解が問われる難しい問題です。
キーワード
エミッタ接地増幅回路、静特性、動作点
問題
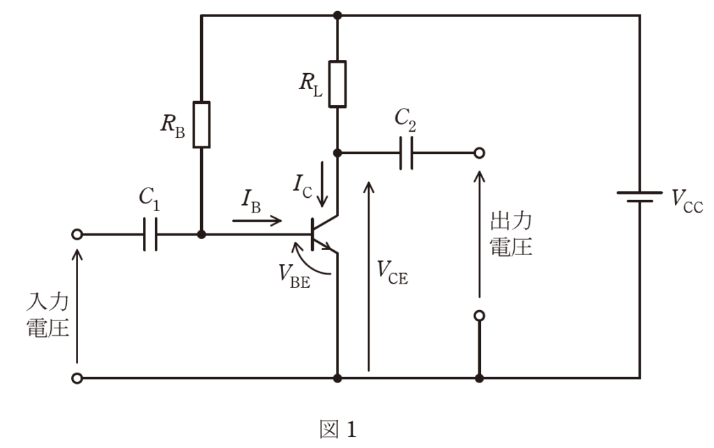
図1は、固定バイアス回路を用いた、\(R_B\)の値が未知のエミッタ接地トランジスタ増幅回路である。
図2は、この増幅回路で用いているトランジスタのコレクタ-エミッタ間電圧\(V_{CE}\)とコレクタ電流\(I_C\)との関係を予め調べ示した静特性である。
ただし、五つのベース電流の値\(I_B[A]\)のみに対する曲線であり、増幅回路の負荷抵抗\(R_L\)の負荷線も重ねて示している。
今、増幅回路の動作点を測定したところ\(V_{CE}=3.0V\)であった。
抵抗\(R_B\)の値[MΩ]として最も近いものを次の(1)~(5)のうちから一つ選べ。
ただし、ベース-エミッタ間電圧\(V_{BE}\)を\(0.7V\)としてよい。
なお、\(C_1\)、\(C_2\)は結合コンデンサであり、\(V_{CC}\)は直流電圧源である。


(1) 0.5 (2) 0.9 (3) 1.5 (4) 3.0 (5) 6.0
答え
(2)
解説テキスト リンク
回答の解説
(1)回路の電源電圧\(V_{CC}\)を求める
(2)ベース端子側の電圧と静特性から抵抗\(R_B\)を求める
(1)回路の電源電圧\(V_{CC}\)を求める
まず初めに、\(V_{CC}\)を導出するため、トランジスタのエミッタ・コレクタ端子側の回路を考えます。


\(V_{CC}=V_{CE}+I_CR_L\) …①
です。ここで、静特性のグラフから、\(I_C=0mA\)のとき、\(V_{CE}=5V\)なので、①式に代入すると、
\(V_{CC}=5+R_L×0=5[V]\)
(2)ベース端子側の電圧と静特性から抵抗\(R_B\)を求める


次に、ベース端子側の回路の電圧の関係は、左図から②式と分かります。
\(V_{CC}=I_BR_B+V_{BE}\) …②
問題文から、動作点が\(V_{CE}=3.0V\)と与えられているので、静特性のグラフから\(I_B=約5μA\)です。
また、問題文から\(V_{BE}=0.7V\)と与えられているので、②式に代入すると、\(R_B\)が求められます。
\(5=5×10^{-6}×R_B+0.7\)
⇔\(R_B=0.86×10^6[Ω]≒0.9[MΩ]\)
以上より、(2)が答えです。
出典元
一般財団法人電気技術者試験センター (https://www.shiken.or.jp/index.html)
令和6年度上期 第三種電気主任技術者試験 理論科目A問題問13
参考書
イラストがとても多く、視覚的に理解しやすいので、初学者に、お勧めなテキストです。
問題のページよりも、解説のページ数が圧倒的に多い、初学者に向けの問題集です。
問題集は、解説の質がその価値を決めます。解説には分かりやすいイラストが多く、始めて電気に触れる人でも取り組みやすいことでしょう。
本ブログの管理人は、電験3種過去問マスタを使って電験3種を取りました。
この問題集の解説は、要点が端的にまとまっていて分かりやすいのでお勧めです。
ある程度学んで基礎がある人に向いています。



コメント