誘導電動機の始動方式

誘導電動機(始動方式) 機械

誘導電動機の始動電流と始動方式

停止中電動機を動かし始めるとき、いきなり電源に接続する方式を全電圧始動法(直入始動法)と呼びます。
最も簡単で、設備費用も掛からない方式です。

しかし、誘導電動機の始動直後には、始動電流と呼ばれる大電流が数秒間流れます。
全電圧始動における始動電流は、定格電流の大体6~8倍の大電流です。

小容量の電動機であれば、これらは問題にならないため、全電圧始動が最も経済的で最適な方式です。
しかし、中容量以上の電動機になると、瞬間的に流れる大電流によって様々な問題が起こるため、その解決方法として様々な始動方式が考案されています。

 

始動電流による問題

始動電流が流れることによって次のような問題が発生します。

①電源設備の容量が大型化する
電源設備とは、変圧器容量、配電線の太さ、遮断器(ブレーカー)の容量、発電機の容量等です。
設備の大型化は、設備コストが大幅に増加することに直結します。

②保護装置の設定が難しくなる
・始動電流で誤動作しないように設定する ➡ 過負荷保護が甘くなる
・過負荷保護を厳しくする ➡ 始動時にトリップする
このバランスを取った保護をするのが難しくなります。

③銅損による過熱
大電流が流れることにより、一次・二次銅損が非常に大きくなります。
銅損は電流の二乗に比例して大きくなるので、大型機械の始動では始動方法に工夫をしないと電動機が焼損するおそれがあります。

④電源系統の電圧降下が発生
大きな始動電流が流れると、電源系統が持つインピーダンスによって電圧降下が瞬間的に大きくなります。
その結果、周囲の照明がちらつく、他の機器の誤動作等の問題が発生します。

 

始動方式一覧

始動電流の解決方法として、様々な始動方式が考案されています。
始動方式と大まかな特徴、回路図を下表にまとめました。

始動方式始動電流始動トルク回路
全電圧始動6~8倍1倍
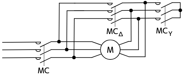
Y-Δ始動
(スターデルタ始動)
1/3倍1/3倍
リアクトル始動\(a\)倍
\(1>a\)
\(a^2\)倍
\(1>a\)
始動補償器始動\(a^2\)倍\(a^2\)倍
インバータ始動
(VVVFインバータ)
定格以下大きい

 

関連記事

 

参考書

イラストがとても多く、視覚的に理解しやすいので、初学者に、お勧めなテキストです。

問題のページよりも、解説のページ数が圧倒的に多い、初学者に向けの問題集です。
問題集は、解説の質がその価値を決めます。解説には分かりやすいイラストが多く、始めて電気に触れる人でも取り組みやすいことでしょう。

本ブログの管理人は、電験3種過去問マスタを使って電験3種を取りました。
この問題集の解説は、要点が端的にまとまっていて分かりやすいのでお勧めです。
ある程度学んで基礎がある人に向いています。

コメント

タイトルとURLをコピーしました